概述
CBN-3 ** D系列齿轮泵是液压系统的动态分量。泵是三片型结构,采用轴向间隙自动补偿装置。它配备了Du轴承和强度铸铁盖。它具有简单的结构,可靠的工作和长寿寿命等特征,它广泛应用于工程机械葫芦和运输机械和农业机械的液压系统。可以使用顺时针和逆时针方向泵。
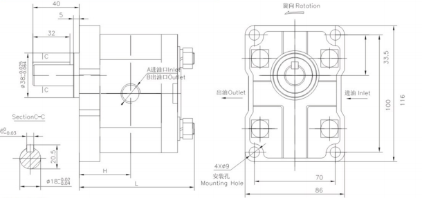
概述维度

概述
CBN-3 ** D系列齿轮泵是液压系统的动态分量。泵是三片型结构,采用轴向间隙自动补偿装置。它配备了Du轴承和强度铸铁盖。它具有简单的结构,可靠的工作和长寿寿命等特征,它广泛应用于工程机械葫芦和运输机械和农业机械的液压系统。可以使用顺时针和逆时针方向泵。
概述维度
