概述
该泵电机组包括重型直流电动机和CBK齿轮泵,通常用作复杂液压系统的发电站。
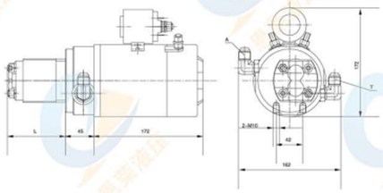
概述维度

液压回路可选095

型号规格

特别说明
1.对于不同的FiOW速率泵。压力和电机电源,请检查订购指导。
这款电机基于间隙工作系统S2 = 2-4分钟(连续工作时间)。所以它不能连续运行。
3.必须使用安装,气缸。工艺管,接头和其他液压元件必须清洗,并没有任何杂质。
4.液压油的粘度应为15-68cst,应清洁,不含杂质HM46液压油。
5.液压油应在系统的第一个100小时后更换,并在此之后每3000小时改变OI。
概述
该泵电机组包括重型直流电动机和CBK齿轮泵,通常用作复杂液压系统的发电站。
概述维度

液压回路可选095

型号规格

特别说明
1.对于不同的FiOW速率泵。压力和电机电源,请检查订购指导。
这款电机基于间隙工作系统S2 = 2-4分钟(连续工作时间)。所以它不能连续运行。
3.必须使用安装,气缸。工艺管,接头和其他液压元件必须清洗,并没有任何杂质。
4.液压油的粘度应为15-68cst,应清洁,不含杂质HM46液压油。
5.液压油应在系统的第一个100小时后更换,并在此之后每3000小时改变OI。