概述
该液压动力装置由高压齿轮泵,刷毛直流电机,多用途集成的BIOCH,液压阀,罐等零件组成。为金相样品嵌入式机提供电力。
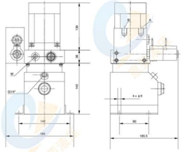
概述维度

液压回路可选102

型号规格

特别说明
1.对于不同的流量泵,压力和电机电源,请检查订购指导。
这是直流无刷电机。
3.必须清洁汽缸,油管,接头和其他液压元件,不含任何杂质。
4.液压油的粘度应为15-68cst,应清洁,不含杂质。建议使用液压油。
5.在系统首次操作后,在油箱后是否有足够的油。
6.液压油应在系统的第一个100小时后更换,并在此之后每3000小时改变油。
概述
该液压动力装置由高压齿轮泵,刷毛直流电机,多用途集成的BIOCH,液压阀,罐等零件组成。为金相样品嵌入式机提供电力。
概述维度

液压回路可选102

型号规格

特别说明
1.对于不同的流量泵,压力和电机电源,请检查订购指导。
这是直流无刷电机。
3.必须清洁汽缸,油管,接头和其他液压元件,不含任何杂质。
4.液压油的粘度应为15-68cst,应清洁,不含杂质。建议使用液压油。
5.在系统首次操作后,在油箱后是否有足够的油。
6.液压油应在系统的第一个100小时后更换,并在此之后每3000小时改变油。